Fedezd fel a legjobb árakat az ÁrIránytűn Magyarország legújabb és leghatékonyabb ár-összehasonlító platformján. Spórolj okosan, vásárolj tudatosan.
Minimum legkisebb rendelhető mennyiség: 10 darab
Termék részletek
Furatátmérő (d 0 ): 18 mm Min. furatmélység átmenőszerelésnél (h 2 ): 130 mm Dübel hossz (l): 132 mm Max. hasznos hossz (t fix ): 25 mm Menet: M 12 Kulcsméret: 19 mm FH II S nagyteljesítményű dübel galvanikusan cinkezett acélból, hatlapú anyával. A dübel időtakarékos átmenőszereléssel alkalmazható. A hatlapú anya meghúzásával a kúp behúzódik a hüvelybe, amely ezá
Termék részletek
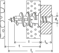
Furatátmérő (d 0 ): 14 mm Min. furatmélység átmenőszerelésnél (h 2 ): 115 mm Hasznos hossz h ef=70 mm (t fix ): 30 mm Hasznos hossz h ef=90 mm (t fix ): 10 mm Dübelhossz (l): 100 mm Behajtás: T50 Legfontosabb jellemzők - ETA besorolás kiváló terhelési adatokkal: Nem szerkezeti rendszerek többpontos rögzítéséhez betonba, falazatba. - A hosszú terpesztőzóna két rögzítési
Termék részletek
Termék részletek
Univerzális szigetelésrögzítő dűbel acél csavarral Süllyesztett- vagy szigetelő felület síkjába történő beépítésre Hossz: 175 mm Furatátmérő: 8 mm Tányér átmérő: 60 mm Max rögzítési vastagság: 140 mm ETA minősítés Univerzális, sokoldalúan alkalmazható szigetelésrögzítő dűbel acél csavarral Süllyesztett- vagy szigetelő felület síkjába történő beép
Termék részletek
Wkret-met SB beütős tipli + csavarszeg 8x120, 8db/csom (3904355)
Termék részletek
fix-ITH peremes műanyag tipli peremes hlf. Tx csavarral, 10x100 (5 db) fix-ITH peremes műanyag tipli peremes hlf. Tx csavarral, 10x100 (5 db)
Termék részletek
Furatátmérő (d 0 ): 10 mm Min. furatmélység átmenőszerelésnél (h 2 ): 130 mm Min. rögzítési mélység (h nom (h V )): 50 mm Dübelhossz (l): 120 mm Max. hasznos hossz (t fix ): 70 mm Behajtás: T40 / SW13 Legfontosabb jellemzők - A kis rögzítési mélységnek köszönhetően idő- és költségtakarékos. - ETA minősítés betonban és falazatban. - Hatlapfejű préselt alátétes
Termék részletek
Termék részletek
üreges fémdübel metrikus csavarral (molly dübel) Építőanyagok Gipszkarton és gipsz farostlemez Üreges födémek Fagyapot Forgácslap Furnérlapok * Részletes információkat az építőanyagokról a regisztrációs dokumentumban talál. Legfontosabb jellemzők A tárgy eltávolítása és felszerelése megismételhető a terhelhetőség csökkenése nélkül. Ez növeli a az alkalmazhat
Termék részletek
Termék részletek
Termék részletek
Műanyag menetes gipszkarton dűbel 14x22 Fúrópengével használható Előfúrást követően könnyen behajható gipszkartonba, a behajtott csavar stabil rögzítést biztosít.
Termék részletek
A szárazépítési specialista. Kiváló minőségű poliamidból készül, ezáltal nagyon rugalmas és időtálló. ElőnyökKönnyű szerelhetőség
Termék részletek
Az áriránytűn több millió terméket listázunk és folyamatosan bővül a kereskedő partnereink száma.
Te is szeretnéd, ha termékeid megjelennének az áriránytű ajánlatai között?